This page could easily be titled "Kirchhoff's Laws" but that is not a very descriptive title. This page is about calculating Voltage and Current in Series and Parallel circuits using the aforementioned Kirchhoff's laws.
Before reading this page, it is a good idea to make sure you are familiar with the concepts of voltage and current by reading the "Current and Voltage" page on the website.
For the purposes of this section, simple circuits are circuits that contain basic components such as bulbs and resistors, batteries and switches - the connections may look complex but the circuits themselves are simple and we are interested in how they obey Kirchhoff's basic circuit rules.
The circuits do not contain semiconductor devices such as thermistors, diodes or transistors or other active components - the rules considered here apply to all these more complex circuits, including those containing semiconductors or other such components - but they are not considered as examples at this point.
The basic two circuits are series circuits and parallel circuits. All other circuits can be reduced to a combination of series and parallel connections.
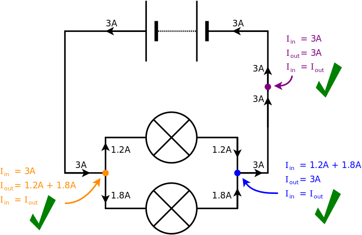
In a series circuit, current is the same at each point. In a parallel circuit current splits (not necessarily equally) at a junction.
This is Kirchhoff's current law: "The sum of the currents flowing into a junction is zero" and means that for any point in the circuit the current flowing in (taken to be positive) is equal to the current flowing out (taken to be negative). This is a consequence of the principle of conservation of charge.

In a strictly series circuit the potential differences all add up to the total of the EMF's and in a purely parallel circuit the potential difference across each component has to be the same. The voltage rules often cause some confusion and need to be carefully considered. Unless the circuit is just simply a series circuit, the voltages across all the components don't all just add up to the supply voltage. Voltages across two components in parallel - whether these be potential differences or EMF's - must be the same.
Kirchhoff's voltage law states "the sum of the EMF's is equal to the sum of the potential differences around any complete circuit loop". This means that if you start at some point in the circuit, trace a route around the circuit somehow and arrive back at the starting point, then all the EMF's add up to the same as all the potential differences. This is true for any closed loop around any circuit and is a consequence of the conservation of energy.
There is always some confusion about the terms 'Voltage', 'Potential Difference' and 'EMF' so we can think of them as follows:
In this simple (containing only batteries and bulbs) but complex (having many parallel branches) circuit. The EMF of each battery is shown in BLUE and the potential difference across each bulb is shown in ORANGE (the bulbs are all different).
We will look at all the possible routes around the circuit adding up the EMF's and the potential differences as we go. In each of the first few cases we will start at the purple dot at the top right hand corner of the circuit and travel in the direction of the current flow. In actual fact you can start at any point in the circuit as will be seen in later examples.
Route 1
Sum EMF = 3 + 6 = 9 volts
Sum Pd = 2 + 3 + 4 = 9 volts
Sum EMF = Sum Pd
Route 2
Sum EMF = 3 + 6 = 9 volts
Sum Pd = 2 + 3 + 4 = 9 volts
Sum EMF = Sum Pd
Route 3
Sum EMF = 3 + 6 = 9 volts
Sum Pd = 2 + 7 = 9 volts
Sum EMF = Sum Pd
Route 4
In this case the green arrow represents the direction we travel round the route, NOT the direction of the current in the branch of the circuit. As we are travelling around the loop 'against' the current, the potential difference is negative for the first and second bulbs. As we travel with the current through the third bulb the potential difference is still positive
Sum EMF = 0 volts
Sum Pd = - 4 - 3 + 7 = 0 volts
Sum EMF = Sum Pd
Route 5
Sum EMF = 0 volts
Sum Pd = - 4 - 3 + 7 = 0 volts
Sum EMF = Sum Pd
Route 6
Sum EMF = 0 volts
Sum Pd = - 4 + 4 = 0 volts
Sum EMF = Sum Pd
For each example, calculate the missing values of voltage and current in each case and then check the solutions.
Example 1
I1 = ?
I2 = ?
V1 = ?
Example 2
I1 = ?
I2 = ?
V1 = ?
V2 = ?
Example 3
I1 = ?
I2 = ?
V1 = ?
V2 = ?
Example 4
I1 = ?
I2 = ?
V1 = ?
V2 = ?
Example 5
I1 = ?
I2 = ?
V1 = ?
V2 = ?
Example 1: The circuit is a simple series circuit and so the current is the same at all points. I1 = I2 = 3 A. The potential differences across the two resistors must add up to the total EMF and so V1 = 4 V.
Example 2: 4 A flows through a and into the junction, 3 A flows out through b and so I1 = 1 A. The same current must return to the battery as left and so I2 = 4 A. b and c are in parallel and so V1 = 3 V. Taking a route through a and b, V2 = 6 + 3 = 9 V.
Example 3: 2 A flows through a and into the junction, 1 A flows out through b and so I1 = 1 A. The same current must return to the battery as left and so I2 = 2 A. b and c are in parallel and so V1 = 3 V. Taking a route through a, b and d, 3 + 3 + V2 = 12 and so V2 = 6 V.
Example 4: 100 mA flows in to the left hand junction and 70 mA flows through c therefore 30 mA flows through a, I1 = 30 mA. The same current must return to the battery as left and therefore I2 = 100 mA. Taking a route through a and b, V2 + 2 = 8 meaning V2 = 6 V. Similarly a route through c and d gives 3 + V1 = 8 and so V1 = 5 V.
Example 5: From the left hand junction, 50 mA flows through a and 200 mA flows through c therefore 250 mA must flow into the junction. I1 = 250 mA. The current returning to the battery must be the same as the current leaving the battery and so I2 = 250 mA. Taking a route from the battery through a and b gives V1 = 6 + 2 = 8 V. As V2 is in parallel with V1, V2 = 8 V.
© Paul Nicholls
October 2015

Electronics Resources by Paul Nicholls is licensed under a Creative Commons Attribution 4.0 International License.